欢迎您选购DENISON(丹尼逊)系列产品,DENISON(丹尼逊)系列产品主要拥有以下产品: 轴向柱塞泵,叶片泵,轴向柱塞马达,叶片马达,压力控制阀,方向控制阀,单向阀,叠加阀,流量控制阀,比例阀,插装阀及座阀式液压阀,船用液压阀,低速大扭矩液压马达,丹尼逊压力继电器、滤器及分流阀,液压油技术标准 - 产品名称:丹尼逊2F1C型
- 产品归属:流量控制阀
- 产品系列:2F1C
- 产品类型:无

| 丹尼逊2F1C 系列流量阀 2F1C01 : 52 l/min, 280 bar 2F1C02 : 112 l/min, 350 bar |
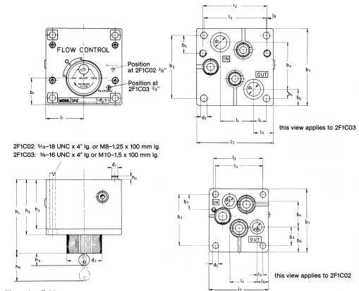
 | | 型号说明................................. 例 : 2F1C-02-01-B5-C 1. 2F1C-02-01-B5-C ........................................ 系列 尺寸 | 系列号 | 3/8” BSPP, 3/8” NPTF | 2F1C-02 | ¾” BSPP, ¾” NPTF | 2F1C-03 |
2. 2F1C-02-01-B5-C.................................. 调节方式 3. 2F1C-02-01-B5-C...................................... 设计号 4. 2F1C-02-01-B5-C.................................. 密封等级 5. 2F1C-02-01-B5-C...................................... 备选项 |
符号 | 型号.................................... 订货号 | 符号 | 型号.................................... 订货号 | 
| 2F1C-02-01-B5-0....... 026-46327-5 2F1C-03-01-B5-0....... 026-46328-5 | 
| 2F1C-02-01-B5-C....... 026-46326-5 2F1C-03-01-B5-C....... 026-46329-5 |
|
| | 2F1C02 | 2F1C03 | l1 | 47.6 | 61.9 | l2 | 79.4 | 103.2 | l3 | 76.2 | 101.6 | l4 | 44.5 | 52.4 | l5 | 9.5 | 20.6 | l6 | 19 | 31.8 | l7 | 95.2 | 123.8 | l8 | | 0.8 | b1 | 38.1 | 42.9 | b2 | 82.5 | 101.6 | b3 | 23.8 | 28.6 | b4 | 41.3 | 75.4 | b5 | 30.2 | 15.1 | b6 | 39.7 | 26.2 | b7 | 101.6 | 123.8 | H1 | 119.6 | 119.6 | h2 | 87.4 | 89.2 | h3 | 79.5 | 79.5 | h4 | 6.4 | 6.4 | h5 | 20 | 20 | h6 | 45 | 45 | d1 | 6.35 | 9.5 | d2 | 57.2 | 57,2 | d3 | 14.2 | 22.4 | d4 | 14.2 | 22.4 | d6 | 8.7 | 10.5 |
|